MOS FET继电器(无触点继电器)的基础知识:使用篇
MOS FET继电器(无触点继电器)的基础知识:使用篇
MOS FET继电器的选定方法
请按照以下步骤选定MOS FET继电器。
① 输出侧电压
② 输出侧电流
*AC时要确认峰值

③ 触点类型的选定 (1a or 1b)
| 入力電流 | a接点 | b接点 |
| 無通電時 |
|
|
| 通電時 |
|
|
通过规格书选定MOS FET继电器时
按照以下条件通过规格书选定MOS FET继电器时,请确认蓝框所示的各项内容。
【选定条件示例】
① 输出侧电压:60VDC
② 输出侧电流:500mA
③ 触点类型:1ab接点

通过参数搜索选定MOS FET继电器时
很多MOS FET继电器商品虽然外形尺寸相同但规格不同,因此使用参数搜索时,推荐缩小上述3项(➀、②、③)范围的方法。

MOS FET继电器推荐工作条件
设计电路时,请将MOS FET继电器的工作电流值设计在规格书记载的“推荐工作条件”范围内。

针对要详细设计电路的用户
MOS FET继电器因没有物理触点,基本上可以半永久使用。因此,通过推定LED的光量来预测寿命。
LED的光量根据各种因素发生变化。电流值越大,光量也越强。此外,光量也会因长期使用产生的劣化而逐渐减弱。因此,为了长久使用,也应考虑经年劣化时的发光量变化。并且,如果在高温环境下使用,驱动MOS FET所需的电压会增高,因此需要比常温下更大的电流。MOS FET继电器无法投入超出额定值的电流。如果没有将此类因素正确纳入设计中,可能会导致设备故障。
1.环境温度的影响
2.LED的经年劣化
在“设计输入侧电源时的电流值概念”中进行了更加详细的说明。
MOS FET继电器的电路示例
以下为使用MOS FET继电器的输入侧/输出侧的电路示例。
MOS FET继电器输入侧的电路示例
输入侧的浪涌电压保护电路

代表性的电路示例如下所示。
驱动电路示例
C-MOS

晶体管

MOS FET继电器输出侧的电路示例
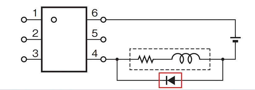
用外置二极管吸收能量时

选定标准:
请使用反向耐压超过电路电压10倍、正向电流大于负载电流的二极管。
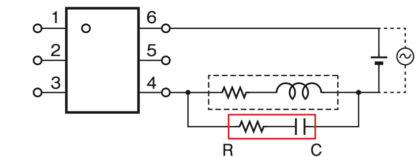
用缓冲电路吸收能量时

选定标准:
作为C、R的标准
C:相对于触点电流1A为0.5~1(μF)
R:相对于触点电压1V为0.5~1(Ω)。
但是根据负载的性质和特性差异等有所差异。
C具有触点开放时抑制放电的效果,R具有在下次接通时限制电流的作用,请考虑这些因素后通过实验确认。C的耐压通常请使用200~300V的。AC电路请使用AC用电容器(无极性)。但是,如果触点之间的电弧切断能力在直流高电压下存在问题时,在触点之间连接CR比在负载之间连接更有效,请通过实体机确认。
用压敏电阻切断过电压时

选定标准:
选择压敏电阻切断电压Vc时应满足下述条件。交流电时需要 √2 倍。
Vc > (电源电压×1.5)
但是,如果将Vc设定的过高,就无法切断高电压,因此效果会减弱。
备注:
• 如果使用保护元件,负载侧的恢复时间(切断时间)可能会延迟,因此使用前请务必检查实际负载。
• 在实际安装二极管、缓冲器(C-R)、压敏电阻等保护元件时,应安装在负载或MOS FET的附近。如果距离远,可能无法发挥安装的保护元件的效果。
压敏电阻的选定方法
■请将压敏电阻连接在输出端子两端之间。

■选定方法
压敏电阻电压请勿超过MOS FET继电器的负载电压(VOFF)。
• ESD时:通常使用防静电的叠层片式压敏电阻。
• 在商用AC电源下使用时,请参看下表的“压敏电阻参考标准”。
压敏电阻的参考标准
| 电源电压 | 推荐的压敏电阻电压 | 绝对最大额定值VOFF | 浪涌电流耐受能力 |
| AC100V 线路 | 220~270V | 400-600V | 1000A 以上 |
| AC200V 线路 | 430~470V | 600V | 1000A 以上 |
无触点继电器电路图中出现的电路图符号
无触点继电器电路图使用以下符号。

图文来源网络如有侵权请联系本网站删除!









