微型光电传感器使用指南
微型光电传感器
使用指南
-解决客户的问题和需求-
概要
微型光电传感器(光遮断器)指的是利用光检测物体存在与否或其位置的小型光电传感器。根据用途有多种类型可供选择。主要的用途包括检测物体的存在与否、对转盘进行计数、对移动物体进行定位和检测转动方向(编码器应用)。为了有效地使用微型光电传感器,下面将对微型光电传感器的原理、种类、分开使用方法进行说明,并详细介绍具体的应用实例。
什么是微型光电传感器(光遮断器)?

微型光电传感器指的是利用光检测物体存在与否或其位置的小型光电传感器。 一般情况下透过型传感器被称为“光遮断器”。
这种机器内置用的微型光电传感器被应用于需要高可靠性的设备,例如消费类机器(打印机复合机、IPC 或 IP摄像机、扫地机器人等)和商业类机器(ATM、复印机、娱乐设备、智能燃气表等)。
关于微型光电传感器(光遮断器)的种类
微型光电传感器(光遮断器)的检测方式可以分为透过型(凹槽型)和反射型。此外,根据连接方式和安装方式可分为多种类型。
主流是表面封装型,相比常规的端子型,表面封装型,(SMD)型可以有效地减少组装工时和实现机器的小型化/薄型化。当检测物体位于远离主板的位置时,
将使用预制线型或者容易布线和维护的接插件型。请您根据设备结构从多种类型中选择最适合的传感器。


| SMD型 | 在基板上表面封装 |
| 端子型 | 无需螺丝安装/嵌入式封装的带导 线接插件(另售) |
| 引线端子型 | 电路板上焊锡贴装 |
| 预制线型 | 预线带电缆 ※连接器可以插拔 |

关于微型光电传感器(光遮断器)的用途实例
微型光电传感器(光遮断器)主要的用途包括检测物体的存在与否、对转盘进行计数、对移动物体进行定位和检测转动方向(编码器应用)。透过型(凹槽型)以及反射型微型光电传感器的主要用途如下。
| 用途实例 | 透过型(凹槽型) | 反射型 |
| 检测物体是否存在 | 主要用途:
| 主要用途: |
| 计数 | 主要用途:
| 主要用途:
|
定位 | 主要用途:
| 主要用途: |
| 检测转动方向 | 主要用途:
|
关于微型光电传感器和微动开关的差异
微动开关是通过接触点进行开闭,而微型光电传感器(光遮断器)是利用光进行非接触式开关,这是两者最大的不同。因此,虽然微型光电传感器在耐久性、检测位置精度和响应速度等方面具有较高的性能,但是微动开关在交流和直流电流上都能使用,也不需要LED发光,因此对需要低功耗的电池驱动机器上效果显著。
微型光电传感器(光遮断器)和微动开关的主要差异和分开使用方法如下表所示。请根据用途选用最适合的产品时作为参考。
| 微型光电传感器 | 微动开关 | |
|
| |
| 耐久性 | 开闭次数没有限制 不过,发光元件(LED)随着时间变化 | 机械耐久性:100万次以上 电气耐久性:1-10万次以上 |
| 检测位置精度 | ±0.25mm以下(=狭缝宽度) ※反复检测位置精度:0.01mm | ±0.3-1.5mm以下 |
| 响应速度 | 3000次/sec.(光电/IC输出型) | 100-200次/min. |
| 电压规格 | DC4.5-16V(光电/IC输出型) | DC30V以下 AC125V-250V以下 |
| 点击感 | 无 | 有 |
| 抗环境干扰光的影响 | 有(利用遮挡物等避免受环境干扰光的影响) | 无 |
| 分开使用 | 利用光线进行非接触式开关,因此不会出现如磨损、腐蚀等造成的接触点劣化,适合频繁、需要高可靠性的用途。 此外,在检测微小物体、响应速度、检测位置精度方面具有较高的效果,因此在复印机、ATM的纸张和纸币穿过检测、相机和机器人的齿轮转动检测等方面广泛使用。 | 利用接触点开闭电路的简约结构,因此交流和直流电都能使用,不受光线、磁性、噪音等影响。 |
*本表内容并非表示所有机型通用。请查看每个产品的数据表以了解详细规格。
非接触开关,的微型光电传感器不会出现如磨损、腐蚀等造成的接触点劣化,因此具有长寿命和高可靠性的特点。例如,在长时间一年只操作几次的设备盖开闭检测等用途中,根据周围环境的不同,可能会因接触点的氧化、硫化等原因引起开关的开闭故障。在这样的用途中也可以放心地使用微型光电传感器。
关于透过型(凹槽型)和反射型微型光电传感器的技术解说)
透过型(凹槽型)和反射型微型光电传感器的结构与原理如下所述。
| 透过型(光遮断器) | 反射型(光反射器) |
|
|
透过型(凹槽型)微型光电传感器(光遮断器)是穿过缝隙的方式检测物体,因此适合检测微小物体和要求检测位置精度的用途。反射型不仅检测物体的存在与否,而且还能检测物体表面的标记。此外,能实现机器的薄型化。对于微型光电传感器来说,不受检测物体表面状态和位置、角度变化影响的透过型(凹槽型)更适合实现稳定的检测。我们建议您在设计机器时首先考虑能否用透过型进行检测(如果检测物体是完全遮光体)。透过型(凹槽型)和反射型微型光电传感器的使用优缺点如下所述。
| 微型光电传感器 | 透过型(凹槽型)
| 反射型
|
| 优点 | • 可以检测微小物体 | • 可以直接检测到待检测物体的存在与否 |
| 缺点 | • 增加部件数量 | • 不适合检测微小物体和低反射率物体 |
关于光电晶体管和光电/IC输出微型光电传感器的技术解说
光电晶体管输出型是在外部电路上设置开关阈值,而光电/IC型的阈值由内部电路固定。如果想根据应用设置最佳阈值,就要选择光电晶体管输出型。此外,如果是要求快速响应的用途,建议选择光电/IC输出型。
光电晶体管输出型和光电/IC输出型的差异如下所述。请根据用途选用最适合的产品时作为参考。
| 微型光电传感器 | 光电晶体管输出型 | 光电/IC输出型 |
| 内部电路 |
|
|
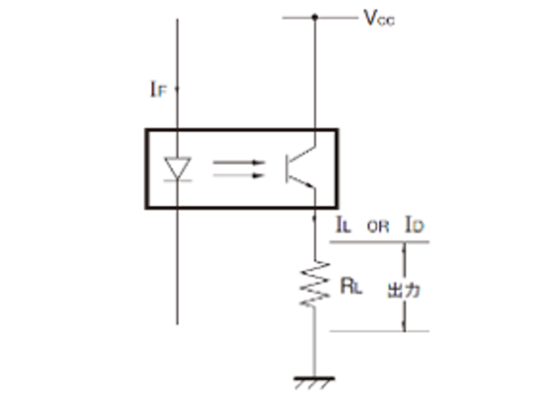
| 电路结构 | 在有检测物体的状态(A)和没有检测物体的状态(B)下,通过比较光电晶体管上流过的光电流IL(A)、IL(B),辨别检测物体的存在与否。
| 光电/IC输出型的电路结构如下所示。
|
| 分开使用 | 如果在机器上光电流IL(A)和IL(B)的比率不是太大,获得稳定检测的关键在于设置最佳阈值。在这种情况下,选定能够设置阈值的光电晶体管输出型。 | 如果在机器上光电流IL(A)和IL(B)的比率足够大,建议采用容易进行电路设计的光电/IC输出型。 此外,最适合需要快速响应(3KHz mim.)的用途。 例如,检测带缝隙的转盘的转动次数等
|
图文来源网络如有侵权请联系本网站删除!





















